Model Types
| DS 250 | 2 inctemental inputs, 4 x 2 control outputs push-pull, analogue output |
| DS 260 | 1 incremental input, 4 x 2 control outputs push-pull, analogue output |
Features
- SIL3 and PLe certification
- Safety functions equivalent to EN 61800-5-2
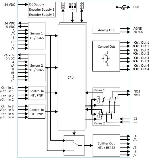
(SS1, SS2, SOS, SLS, SDl, SSM, SLI, SBC, STO, SMS) - 2 incremental encoder inputs with format A, /A, B, /B, Z, /Z
[HTL differencial, HTL single ended, RS422] - 8 control inputs [HTL / PNP]
- Input frequency up to 500 kHz
- 2 relay outputs 5... 250 VAC / VDC (NO)
- 4 x 2 control outputs with push-pull characteristic, short-circuit-proof,
[HTL], antivalent or equivalent redundant or simply used - Safety related 14 bit analog output for 4 ... 20 mA (scalable)
- Signal splitter
- Power supply 18 ... 30 V
- Wire monitoring of the sensor signals
- Compact housing for 35 mm mounting top hat rail
(according to EN 60715) - USB interface in combination with the user interface OS6.0 for the parameterization of the safety speed monitor
- BG200 operator panel for easy parameterization and display (optional)
Other
| Power Supply | 18VDC - 30VDC |
| Ripple | ≥ 10% @ 24VDC |
| Current consumption | approx. 150mA @ 24 VDC |
| Aux. Output for encoder supply | 5V max. 200mA |
| Inputs Control 1/2 |
Ri = 3.9 kOhms, Low < 2.5V, HIGH > 10V (max. 30V) minumum duration of dynamic signals: 50 µsec. minumum duration of static singals: 2 msec. |
| Encoder inputs |
Symmetric differential sin/cos - input (sin+, sin-, cos+, cos), Signal level 0.8 Vpp - 1.2 Vpp, Singal offset approx. 2 - 3V to GND |
| Input Frequency |
500kHz |
| Analogue Output |
±10V, max. 2mA 0 - 20mA, 4 - 20 mA (load: max 270 Ohm) Resolution 14 bits, accuracy 0.1% Settling time approx. 200us Step response = 2 x sampling time + 200us |
| Relays (DZ260 and DZ267 only) | Dry change-over contracts, switching capability 30V / 2A DC or 125V / 0.6A AC or 230V / 0.3A AC Response time approx. 4msec. |
| Transistor Outputs (DZ 261 and DZ269 only) | 3 fast, short-circuit-proof PNP-outputs 5-30V, 350 mA, response time < 1 msec. |
| Serial interface | RS232 / 2400 - 38400 Bauds |



